e-fat/e-cargo

Motor butuc spate S-Type Pro RF

Motorul butucului spate S-Type Pro RF (roată liberă) este proiectat pentru bicicletele E-Cargo și E-Fat, oferind o putere nominală de la 750W la 1500W. Dispune de o roată liberă cu 7 trepte, un dropout de 175 mm și un cuplu maxim de peste 145 Nm. Acest motor oferă o tracțiune puternică în condiții de viteză mică, asigurând o capacitate stabilă de urcare pe pante abrupte și nisip moale și rezolvă eficient deficiențele de putere în condiții de sarcină mare. Echipat cu angrenaje din plastic-oțel patentate de HENTACH, oferă o capacitate de cuplu de 5 ori mai mare decât angrenajele tradiționale din nailon, cu o durată de peste 40.000 km și reducând semnificativ costurile de întreținere. În aplicațiile cu biciclete electrice de peste 1000 W, numai angrenajele din plastic și oțel de la Hengtai pot rezista la cupluri continue de peste 100 Nm.

Parametru cheie
Structura motorului: Tensiune nominală (V): Putere nominală (W):
/ 36-60 600-1500
Cuplul maxim (N.m.): Greutate (KG): VECHI (mm):
145 5.8 175
informatii detaliate
  • Motor butuc spate S-Type Pro RF
  • Motor butuc spate S-Type Pro RF
Ningbo Yinzhou HENTACH Electromechanical Co., Ltd. Product Parameters Ningbo Yinzhou HENTACH Electromechanical Co., Ltd. Drawing Ningbo Yinzhou HENTACH Electromechanical Co., Ltd. Contact Us

Date de bază

Putere nominală 600-1500
Tensiune nominală 36-60
Diametrul roții 20-26
Gama de viteze 35-65
Cuplu maxim 145
Raportul de transmisie 5
Greutate (KG) 5.8

Parametrii de instalare

Frână Frână cu disc
Caseta senzor de cuplu Nu
Traseul de cablare Partea Axei Stânga
Orificiu pentru spițe 2-18-Ф3.2
Evaluare rezistentă la apă IP54 (Până la IP65)
Volan/Roată de pinion viteză de învârtire de șapte viteze
Certificate TUV/EN15194/RoHS

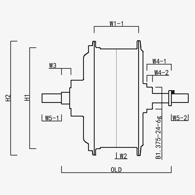
H1/ OD: 162
H2/Diametru exterior motor: 183
W1(-1/-2): 70.8
W2: 0
W3: 15.2
W4(-1/-2): 39/9
W5(-1/-2): 31/27
VECHI: 175
Lungimea axei: 233
Ningbo Yinzhou HENTACH Electromechanical Co., Ltd.
contactati-ne
  • Trimiteți și trimiteți
Ningbo Yinzhou HENTACH Electromechanical Co., Ltd.
CE NE DEPARTEAZA
  • Motor puternic butuc de antrenare din spate, cu viteze deschise de 175 mm, cu o putere nominală de până la 1500 W.

  • Angrenaje din plastic brevetate inventate: cuplul de 5 ori mai mare decât angrenajele din nailon; durata de viață mai mare de 40.000 km; post-vânzare mai scăzută

  • Cuplul de blocare de până la 145NM sau mai mult, conceput pentru efat/Cargo.

CINE SUNTEM NOI Mai mult decât 20 de ani a experienței de producție.

Ningbo Yinzhou HENTACH Electromechanical Co., Ltd. (Anterior Hengtai Motor) Înființată în 1995 și cunoscută anterior ca „Hengtai Motor” (numele chinezesc al companiei noastre), am adoptat oficial denumirea engleză „HENTACH Motor” în 2020. Ambele nume reprezintă același producător de încredere dedicat inovației electromecanice de peste 30 de ani. Specializați în turnarea și prelucrarea de precizie a motoarelor DC miniaturale, motoarelor cu butuc electrice/motocicletei și aliajelor de aluminiu-magneziu pentru vehicule electrice, combinăm un sistem riguros de control al calității ISO 9001, practici de management matur și echipamente de producție/testare de ultimă oră pentru a oferi soluții fiabile.

Cu capacități complete, de la turnarea materiei prime până la livrarea produsului final, deservim piețe diverse, inclusiv biciclete electrice, vehicule de marfă, AGV-uri, mașini de golf, utilaje agricole și e-karting. Campusul nostru de peste 9.000 m² (suprafață construită de 5.000 m²) găzduiește peste 60 de unități de echipamente de producție avansate, inclusiv mașini de turnare sub presiune de 500 de tone, mașini-unelte CNC de precizie, sisteme de marcare cu laser, linii de oxidare cu microarc și două bancuri de testare dedicate pentru motoarele vehiculelor electrice. Această infrastructură asigură o producție eficientă și respectarea strictă a standardelor internaționale de calitate.

La HENTACH (Hengtai), acordăm prioritate materialelor de înaltă calitate și tehnologiei brevetate - uneltele noastre patentate din oțel nailon este o dovadă a excelenței noastre în inginerie. Pentru a valida durabilitatea, am lansat odată un program de garantare a kilometrajului pentru motoarele care depășesc 30.000 de mile. Rezultatul? Peste 50 de motoare nu numai că au îndeplinit acest punct de referință, dar l-au depășit, unele atingând 50.000 de mile impresionante. Această performanță din lumea reală reflectă concentrarea noastră neclintită pe fiabilitate și ne motivează să inovăm continuu pentru soluții motrice mai inteligente și mai puternice.
Aveți încredere în marca cunoscută la nivel mondial atât ca Hengtai Motor și HENTACH Motor, unde inovația patentată a angrenajelor din oțel se întâlnește cu durabilitatea dovedită.

Certificat de Certificari