E-FAT / E-MARFĂ

Motor butuc frontal S-Type Pro F1500

Motorul butuc față S-Type Pro F1500, conceput pentru bicicletele E-Carao și E-Fat, oferă o putere nominală de la 750W la 1500W și un cuplu maxim de 145Nm. Îmbunătățește tracțiunea la viteză mică și capacitatea de urcare pe terenuri provocatoare, abordând deficiențele de putere în aplicațiile cu sarcină mare. Echipat cu angrenaje brevetate din plastic din oțel de la HENTACH - de cinci ori mai puternice decât angrenajele din nailon - suportă motoare cu o putere mai mare de 1000 W, unde angrenajele tradiționale din nailon s-ar uza rapid la cupluri susținute peste 100 Nm.

Parametru cheie
Structura motorului: Tensiune nominală (V): Putere nominală (W):
Motor cu butuc Outrunner cu angrenaj 48-60 750-1500
Cuplul maxim (N.m.): Greutate (KG): VECHI (mm):
145 5.5 190
informatii detaliate
  • Motor butuc frontal S-Type Pro F1500
  • Motor butuc frontal S-Type Pro F1500
Ningbo Yinzhou HENTACH Electromechanical Co., Ltd. Product Parameters Ningbo Yinzhou HENTACH Electromechanical Co., Ltd. Drawing Ningbo Yinzhou HENTACH Electromechanical Co., Ltd. Contact Us

Date de bază

Putere nominală 750-1500
Tensiune nominală 48-72
Diametrul roții 20-26
Gama de viteze 25-65
Cuplu maxim 145
Raportul de transmisie 5
Greutate (KG) 5.5

Parametrii de instalare

Frână Frână cu disc
Caseta senzor de cuplu Nu
Traseul de cablare Partea Axei Dreapta
Orificiu pentru spițe 2-18-Ф3.5
Evaluare rezistentă la apă IP54 (Până la IP65)
Volan/Roată de pinion /
Certificate TUV/EN15194/RoHS

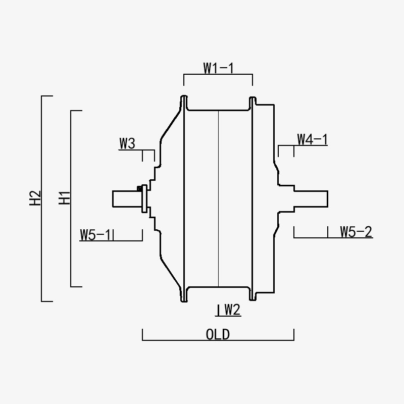
H1/ OD: 157
H2/Diametru exterior motor: 183
W1(-1/-2): 60.9
W2: 0
W3: 11
W4(-1/-2): 14.1
W5(-1/-2): 26/30
VECHI: 135
Lungimea axei: 191
Ningbo Yinzhou HENTACH Electromechanical Co., Ltd.
contactati-ne
  • Trimiteți și trimiteți
Ningbo Yinzhou HENTACH Electromechanical Co., Ltd.
CE NE DEPARTEAZA
  • Motor puternic cu tracțiune frontală, deschidere a vitezei de 135 mm, putere nominală de până la 1500 W.

  • Angrenaj din oțel din plastic brevetat: cuplul de 5 ori mai mare decât angrenajul din nailon; durata de viață mai mare de 40.000 de kilometri; post-vânzare mai scăzută

  • Cuplu de oprire până la 145NM, special conceput pentru efat/Cargo.

CINE SUNTEM NOI Mai mult decât 20 de ani a experienței de producție.

Ningbo Yinzhou HENTACH Electromechanical Co., Ltd. (Anterior Hengtai Motor) Înființată în 1995 și cunoscută anterior ca „Hengtai Motor” (numele chinezesc al companiei noastre), am adoptat oficial denumirea engleză „HENTACH Motor” în 2020. Ambele nume reprezintă același producător de încredere dedicat inovației electromecanice de peste 30 de ani. Specializați în turnarea și prelucrarea de precizie a motoarelor DC miniaturale, motoarelor cu butuc electrice/motocicletei și aliajelor de aluminiu-magneziu pentru vehicule electrice, combinăm un sistem riguros de control al calității ISO 9001, practici de management matur și echipamente de producție/testare de ultimă oră pentru a oferi soluții fiabile.

Cu capacități complete, de la turnarea materiei prime până la livrarea produsului final, deservim piețe diverse, inclusiv biciclete electrice, vehicule de marfă, AGV-uri, mașini de golf, utilaje agricole și e-karting. Campusul nostru de peste 9.000 m² (suprafață construită de 5.000 m²) găzduiește peste 60 de unități de echipamente de producție avansate, inclusiv mașini de turnare sub presiune de 500 de tone, mașini-unelte CNC de precizie, sisteme de marcare cu laser, linii de oxidare cu microarc și două bancuri de testare dedicate pentru motoarele vehiculelor electrice. Această infrastructură asigură o producție eficientă și respectarea strictă a standardelor internaționale de calitate.

La HENTACH (Hengtai), acordăm prioritate materialelor de înaltă calitate și tehnologiei brevetate - uneltele noastre patentate din oțel nailon este o dovadă a excelenței noastre în inginerie. Pentru a valida durabilitatea, am lansat odată un program de garantare a kilometrajului pentru motoarele care depășesc 30.000 de mile. Rezultatul? Peste 50 de motoare nu numai că au îndeplinit acest punct de referință, dar l-au depășit, unele atingând 50.000 de mile impresionante. Această performanță din lumea reală reflectă concentrarea noastră neclintită pe fiabilitate și ne motivează să inovăm continuu pentru soluții motrice mai inteligente și mai puternice.
Aveți încredere în marca cunoscută la nivel mondial atât ca Hengtai Motor și HENTACH Motor, unde inovația patentată a angrenajelor din oțel se întâlnește cu durabilitatea dovedită.

Certificat de Certificari