Oraș electronic

Motor pentru butucul spate R350 de tip C

Motorul butucului spate C-Type R350, conceput pentru bicicletele electrice de oraș, oferă o gamă de putere nominală de 250-400W și acceptă filet cu o singură viteză sau cu 7 viteze pe roată liberă. Compatibil cu sistemele de 36V sau 48V, oferă performanțe stabile cu un grad de rezistență la apă de până la IP65. Motorul are un cuplu de 45 Nm și echipează angrenaje rezistente din plastic-oțel brevetate HT, ideale pentru opriri și porniri frecvente în medii urbane și aplicații de frână electrică.

Parametru cheie
Structura motorului: Tensiune nominală (V): Putere nominală (W):
Motor cu butuc cu tracțiune din spate 36-48 250-400
Cuplul maxim (N.m.): Greutate (KG): VECHI (mm):
45 3 137
informatii detaliate
  • Motor pentru butucul spate R350 de tip C
  • Motor pentru butucul spate R350 de tip C
Ningbo Yinzhou HENTACH Electromechanical Co., Ltd. Product Parameters Ningbo Yinzhou HENTACH Electromechanical Co., Ltd. Drawing Ningbo Yinzhou HENTACH Electromechanical Co., Ltd. Contact Us

Date de bază

Putere nominală 250-400
Tensiune nominală 36-48
Diametrul roții 20-28
Gama de viteze 25-38
Cuplu maxim 45
Raportul de transmisie 4.43
Greutate (KG) 3

Parametrii de instalare

Frână Frână cu disc
Caseta senzor de cuplu Nu
Traseul de cablare Axa central dreapta
Orificiu pentru spițe 2-18-Ф3.2
Evaluare rezistentă la apă IP54 (Până la IP65)
Volan/Roată de pinion Rotativ cu 7 trepte
Certificate TUV/EN15194/RoHS/UL1004-1

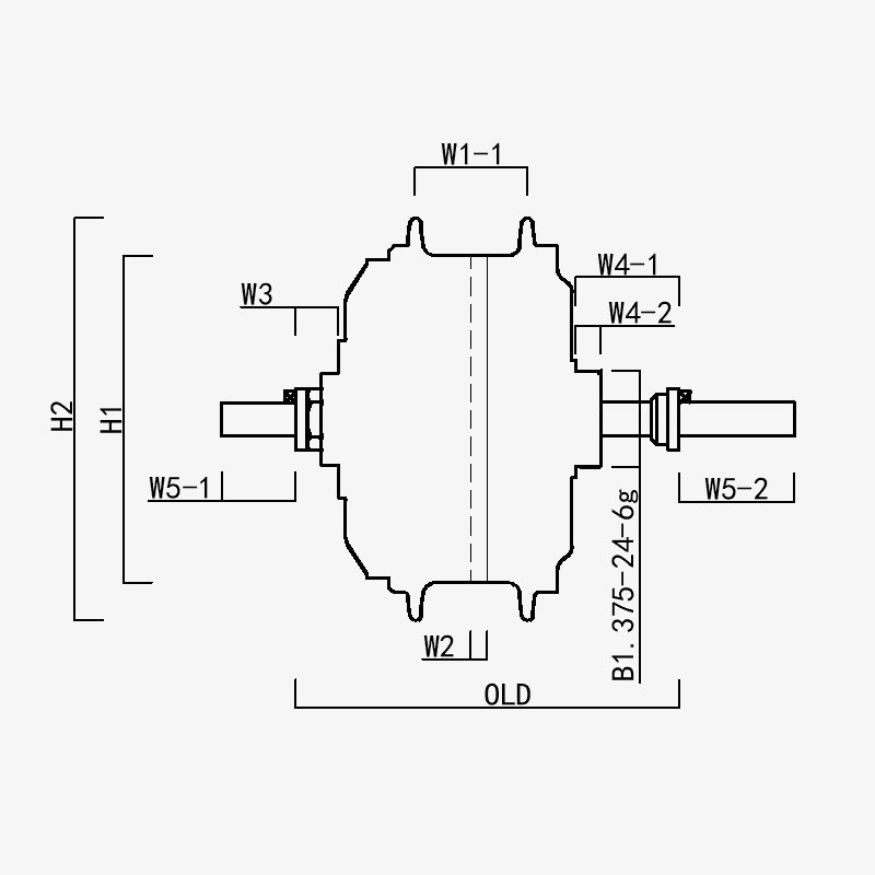
H1/ OD: 117
H2/Diametru exterior motor: 144
W1(-1/-2): 40
W2: 5.9
W3: 15.2
W4(-1/-2): 37/9
W5(-1/-2): 26,5/41,5
VECHI: 137
Lungimea axei: 205
Ningbo Yinzhou HENTACH Electromechanical Co., Ltd.
contactati-ne
  • Trimiteți și trimiteți
Ningbo Yinzhou HENTACH Electromechanical Co., Ltd.
CE NE DEPARTEAZA
  • Greutatea este de numai 3 kg, iar cuplul de blocare poate ajunge la 45NM.

  • Angrenaj din oțel din plastic brevetat: cuplul de 5 ori mai mare decât angrenajul din nailon; durata de viață este mai mare de 40.000 de kilometri; post-vânzare mai scăzută

  • Echipat cu un volant rotativ cu 7 trepte, cu deschidere a vitezei de 137 mm, proiectat pentru c-city

CINE SUNTEM NOI Mai mult decât 20 de ani a experienței de producție.

Ningbo Yinzhou HENTACH Electromechanical Co., Ltd. (Anterior Hengtai Motor) Înființată în 1995 și cunoscută anterior ca „Hengtai Motor” (numele chinezesc al companiei noastre), am adoptat oficial denumirea engleză „HENTACH Motor” în 2020. Ambele nume reprezintă același producător de încredere dedicat inovației electromecanice de peste 30 de ani. Specializați în turnarea și prelucrarea de precizie a motoarelor DC miniaturale, motoarelor cu butuc electrice/motocicletei și aliajelor de aluminiu-magneziu pentru vehicule electrice, combinăm un sistem riguros de control al calității ISO 9001, practici de management matur și echipamente de producție/testare de ultimă oră pentru a oferi soluții fiabile.

Cu capacități complete, de la turnarea materiei prime până la livrarea produsului final, deservim piețe diverse, inclusiv biciclete electrice, vehicule de marfă, AGV-uri, mașini de golf, utilaje agricole și e-karting. Campusul nostru de peste 9.000 m² (suprafață construită de 5.000 m²) găzduiește peste 60 de unități de echipamente de producție avansate, inclusiv mașini de turnare sub presiune de 500 de tone, mașini-unelte CNC de precizie, sisteme de marcare cu laser, linii de oxidare cu microarc și două bancuri de testare dedicate pentru motoarele vehiculelor electrice. Această infrastructură asigură o producție eficientă și respectarea strictă a standardelor internaționale de calitate.

La HENTACH (Hengtai), acordăm prioritate materialelor de înaltă calitate și tehnologiei brevetate - uneltele noastre patentate din oțel nailon este o dovadă a excelenței noastre în inginerie. Pentru a valida durabilitatea, am lansat odată un program de garantare a kilometrajului pentru motoarele care depășesc 30.000 de mile. Rezultatul? Peste 50 de motoare nu numai că au îndeplinit acest punct de referință, dar l-au depășit, unele atingând 50.000 de mile impresionante. Această performanță din lumea reală reflectă concentrarea noastră neclintită pe fiabilitate și ne motivează să inovăm continuu pentru soluții motrice mai inteligente și mai puternice.
Aveți încredere în marca cunoscută la nivel mondial atât ca Hengtai Motor și HENTACH Motor, unde inovația patentată a angrenajelor din oțel se întâlnește cu durabilitatea dovedită.

Certificat de Certificari