Drum/Drum E

Motor butuc spate AXLE PENTRU D-TYPE

Motorul butucului spate D-TYPE THRU AXLE, conceput pentru e-MTB-uri și biciclete e-road/Graval, cântărește doar 2,4 kg (caseta inclusă) cu o axă transversală de 148 mm. Designul său ușor și structura axului traversant asigură rezistență și stabilitate ridicate în timpul mersului la viteză mare. Cu o putere nominală de 48V 250W și un cuplu de blocare de peste 50 Nm, este compatibil cu o casetă cu senzor de cuplu, oferind o accelerație lină și performanță receptivă pentru diverse terenuri.

Parametru cheie
Structura motorului: Tensiune nominală (V): Putere nominală (W):
Motor Hub Outrunner 36-48 220-250
Cuplul maxim (N.m.): Greutate (KG): VECHI (mm):
>50NM 2.4(Cu casetă) 141
informatii detaliate
  • Motor butuc spate AXLE PENTRU D-TYPE
  • Motor butuc spate AXLE PENTRU D-TYPE
Ningbo Yinzhou HENTACH Electromechanical Co., Ltd. Product Parameters Ningbo Yinzhou HENTACH Electromechanical Co., Ltd. Drawing Ningbo Yinzhou HENTACH Electromechanical Co., Ltd. Contact Us

Date de bază

Putere nominală 220-250
Tensiune nominală 36-48
Diametrul roții 20-28
Gama de viteze 25-32
Cuplu maxim >50NM
Raportul de transmisie 6.3
Greutate (KG) 2.4 (Cu casetă)

Parametrii de instalare

Frână frana cu disc
Caseta senzor de cuplu Da
Traseul de cablare Partea Axei Stânga
Orificiu pentru spițe 2-18-Ф3.2
Evaluare rezistentă la apă IP54 (Până la IP65)
Volan/Roată de pinion Casetă 7-12 viteze/Caseta 7-12 viteze
Certificate TUV/EN15194/RoHS

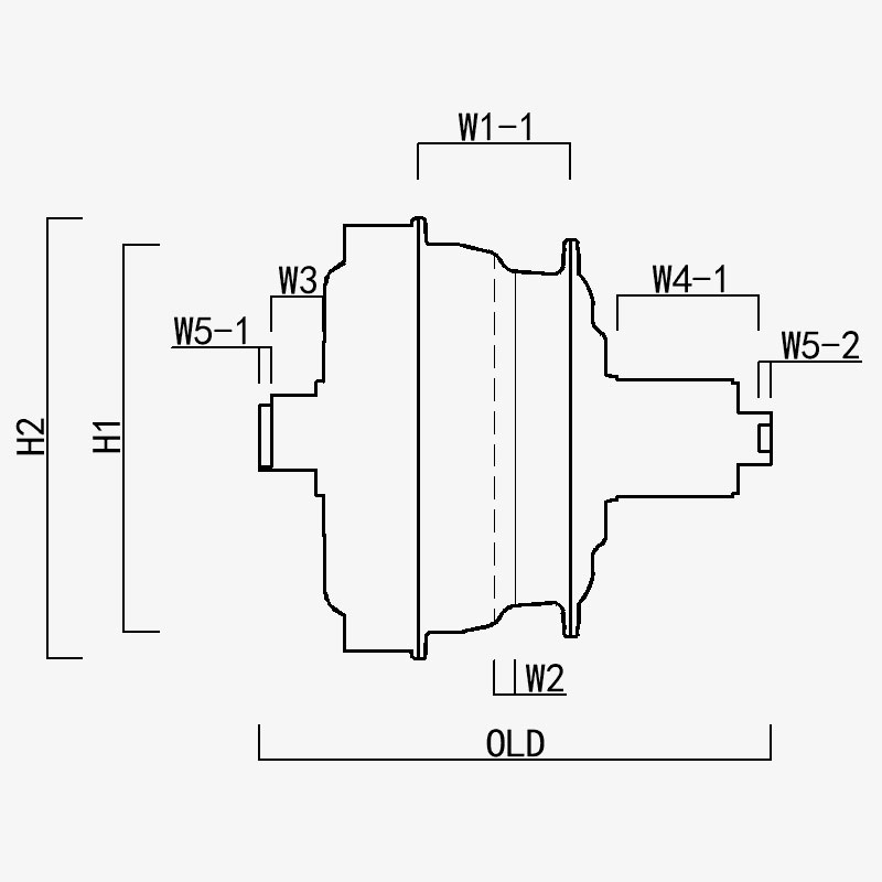
H1/ OD: 112
H2/Diametru exterior motor: 128
W1(-1/-2): 44
W2: 6
W3: 15.25
W4(-1/-2): 42.5
W5(-1/-2): 3.5
VECHI: 141
Lungimea axei: 148
Ningbo Yinzhou HENTACH Electromechanical Co., Ltd.
contactati-ne
  • Trimiteți și trimiteți
Ningbo Yinzhou HENTACH Electromechanical Co., Ltd.
CE NE DEPARTEAZA
  • Angrenaj din oțel din plastic brevetat: cuplul de 5 ori mai mare decât angrenajul din nailon; durata de viață mai mare de 40.000 km; servicii post-vânzare mai reduse

  • Motor cu rotor extern: structură mai stabilă și rată de eșec mai mică în comparație cu rotorul intern

  • Structura arborelui cilindric standard de 10 mm, mai ușoară și mai mică, cu o deschidere a angrenajului de 142 mm, poate atinge un cuplu de >50 NM, motorul cu arbore cilindric de 250 W cu cel mai mare cuplu de pe piață

CINE SUNTEM NOI Mai mult decât 20 de ani a experienței de producție.

Ningbo Yinzhou HENTACH Electromechanical Co., Ltd. (Anterior Hengtai Motor) Înființată în 1995 și cunoscută anterior ca „Hengtai Motor” (numele chinezesc al companiei noastre), am adoptat oficial denumirea engleză „HENTACH Motor” în 2020. Ambele nume reprezintă același producător de încredere dedicat inovației electromecanice de peste 30 de ani. Specializați în turnarea și prelucrarea de precizie a motoarelor DC miniaturale, motoarelor cu butuc electrice/motocicletei și aliajelor de aluminiu-magneziu pentru vehicule electrice, combinăm un sistem riguros de control al calității ISO 9001, practici de management matur și echipamente de producție/testare de ultimă oră pentru a oferi soluții fiabile.

Cu capacități complete, de la turnarea materiei prime până la livrarea produsului final, deservim piețe diverse, inclusiv biciclete electrice, vehicule de marfă, AGV-uri, mașini de golf, utilaje agricole și e-karting. Campusul nostru de peste 9.000 m² (suprafață construită de 5.000 m²) găzduiește peste 60 de unități de echipamente de producție avansate, inclusiv mașini de turnare sub presiune de 500 de tone, mașini-unelte CNC de precizie, sisteme de marcare cu laser, linii de oxidare cu microarc și două bancuri de testare dedicate pentru motoarele vehiculelor electrice. Această infrastructură asigură o producție eficientă și respectarea strictă a standardelor internaționale de calitate.

La HENTACH (Hengtai), acordăm prioritate materialelor de înaltă calitate și tehnologiei brevetate - uneltele noastre patentate din oțel nailon este o dovadă a excelenței noastre în inginerie. Pentru a valida durabilitatea, am lansat odată un program de garantare a kilometrajului pentru motoarele care depășesc 30.000 de mile. Rezultatul? Peste 50 de motoare nu numai că au îndeplinit acest punct de referință, dar l-au depășit, unele atingând 50.000 de mile impresionante. Această performanță din lumea reală reflectă concentrarea noastră neclintită pe fiabilitate și ne motivează să inovăm continuu pentru soluții motrice mai inteligente și mai puternice.
Aveți încredere în marca cunoscută la nivel mondial atât ca Hengtai Motor și HENTACH Motor, unde inovația patentată a angrenajelor din oțel se întâlnește cu durabilitatea dovedită.

Certificat de Certificari