eMTB / E-cargo

Motor butuc spate E-Type Pro RC750

Motorul butucului spate E-Type Pro RC750 este proiectat pentru bicicletele E-Cargo și E-MTB, compatibil cu casete de 8-10 viteze și un dropout de 142 mm. Cu o putere nominală de 750 W și un cuplu de peste 85 Nm, face față fără efort la sarcini mari și terenuri complexe. Motorul dispune de angrenaje din nailon-oțel patentate HENTACH, care oferă o capacitate de cuplu de cinci ori mai mare decât angrenajele tradiționale din nailon, cu o durată de peste 40.000 km și reducând semnificativ costurile de întreținere.

Parametru cheie
Structura motorului: Tensiune nominală (V): Putere nominală (W):
Motor cu butuc cu tracțiune din spate 36-48 350-750
Cuplul maxim (N.m.): Greutate (KG): VECHI (mm):
85 5.3 142
informatii detaliate
  • Motor butuc spate E-Type Pro RC750
  • Motor butuc spate E-Type Pro RC750
Ningbo Yinzhou HENTACH Electromechanical Co., Ltd. Product Parameters Ningbo Yinzhou HENTACH Electromechanical Co., Ltd. Drawing Ningbo Yinzhou HENTACH Electromechanical Co., Ltd. Contact Us

Date de bază

Putere nominală 350-750
Tensiune nominală 36-48
Diametrul roții 20-28
Gama de viteze 25-38
Cuplu maxim 85
Raportul de transmisie 5.27
Greutate (KG) 5.3

Parametrii de instalare

Frână frana cu disc
Caseta senzor de cuplu Da
Traseul de cablare Partea Axei Stânga
Orificiu pentru spițe 2-18-Ф3.2
Evaluare rezistentă la apă IP54 (Până la IP65)
Volan/Roată de pinion KAFI 7-10 viteze
Certificate TUV/EN15194/RoHS

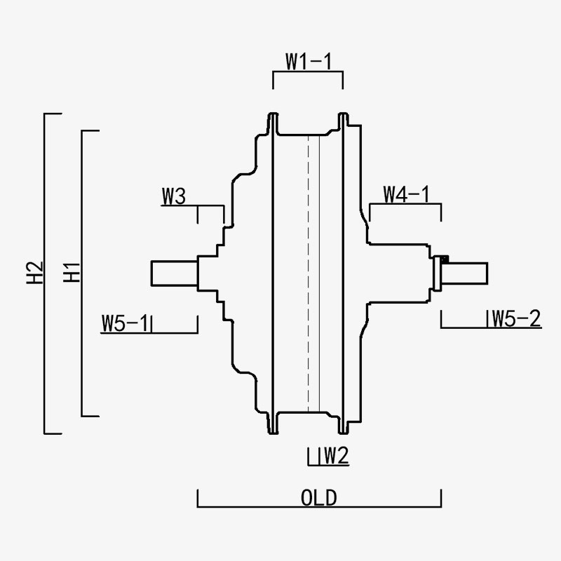
H1/ OD: 167
H2/Diametru exterior motor: 187
W1(-1/-2): 40.8
W2: 6.65
W3: 15.2
W4(-1/-2): 41.5
W5(-1/-2): 27
VECHI: 142
Lungimea axei: 196
Ningbo Yinzhou HENTACH Electromechanical Co., Ltd.
contactati-ne
  • Trimiteți și trimiteți
Ningbo Yinzhou HENTACH Electromechanical Co., Ltd.
CE NE DEPARTEAZA
  • Motor puternic cu butuc cu tracțiune din spate, cu volantă casetă cu 10 viteze, deschidere a vitezei de 142 mm, adaptabilitate mai mare și putere nominală de până la 750 W.

  • Angrenaj din oțel din plastic brevetat: cuplul de 5 ori mai mare decât angrenajul din nailon; durata de viață mai mare de 40.000 de kilometri; post-vânzare mai scăzută

  • Cuplul de blocare de până la 85 NM, special conceput pentru eMTB/Cargo.

CINE SUNTEM NOI Mai mult decât 20 de ani a experienței de producție.

Ningbo Yinzhou HENTACH Electromechanical Co., Ltd. (Anterior Hengtai Motor) Înființată în 1995 și cunoscută anterior ca „Hengtai Motor” (numele chinezesc al companiei noastre), am adoptat oficial denumirea engleză „HENTACH Motor” în 2020. Ambele nume reprezintă același producător de încredere dedicat inovației electromecanice de peste 30 de ani. Specializați în turnarea și prelucrarea de precizie a motoarelor DC miniaturale, motoarelor cu butuc electrice/motocicletei și aliajelor de aluminiu-magneziu pentru vehicule electrice, combinăm un sistem riguros de control al calității ISO 9001, practici de management matur și echipamente de producție/testare de ultimă oră pentru a oferi soluții fiabile.

Cu capacități complete, de la turnarea materiei prime până la livrarea produsului final, deservim piețe diverse, inclusiv biciclete electrice, vehicule de marfă, AGV-uri, mașini de golf, utilaje agricole și e-karting. Campusul nostru de peste 9.000 m² (suprafață construită de 5.000 m²) găzduiește peste 60 de unități de echipamente de producție avansate, inclusiv mașini de turnare sub presiune de 500 de tone, mașini-unelte CNC de precizie, sisteme de marcare cu laser, linii de oxidare cu microarc și două bancuri de testare dedicate pentru motoarele vehiculelor electrice. Această infrastructură asigură o producție eficientă și respectarea strictă a standardelor internaționale de calitate.

La HENTACH (Hengtai), acordăm prioritate materialelor de înaltă calitate și tehnologiei brevetate - uneltele noastre patentate din oțel nailon este o dovadă a excelenței noastre în inginerie. Pentru a valida durabilitatea, am lansat odată un program de garantare a kilometrajului pentru motoarele care depășesc 30.000 de mile. Rezultatul? Peste 50 de motoare nu numai că au îndeplinit acest punct de referință, dar l-au depășit, unele atingând 50.000 de mile impresionante. Această performanță din lumea reală reflectă concentrarea noastră neclintită pe fiabilitate și ne motivează să inovăm continuu pentru soluții motrice mai inteligente și mai puternice.
Aveți încredere în marca cunoscută la nivel mondial atât ca Hengtai Motor și HENTACH Motor, unde inovația patentată a angrenajelor din oțel se întâlnește cu durabilitatea dovedită.

Certificat de Certificari