eMTB / E-cargo

Motor butuc spate RF500 de tip E

Motorul pentru butuc spate E-Type RF500 este proiectat pentru biciclete E-Cargo și E-MTB, compatibil cu sistemele 36V/48V. Oferă o putere nominală de 500-750 W și un cuplu de peste 75 Nm, gestionând cu ușurință terenuri complexe și sarcini grele. Motorul suportă roți de 20-28 inchi, cântărește doar 4,2 kg și are o scădere de 100 mm cu un raport de transmisie de 5,4. Acest design optimizează cuplul de ieșire, asigurând o accelerare lină la viteze mici și o eficiență îmbunătățită.

Parametru cheie
Structura motorului: Tensiune nominală (V): Putere nominală (W):
Motor cu butuc cu tracțiune din spate 36-48 250-500
Cuplul maxim (N.m.): Greutate (KG): VECHI (mm):
75 4.2 135
informatii detaliate
  • Motor butuc spate RF500 de tip E
  • Motor butuc spate RF500 de tip E
Ningbo Yinzhou HENTACH Electromechanical Co., Ltd. Product Parameters Ningbo Yinzhou HENTACH Electromechanical Co., Ltd. Drawing Ningbo Yinzhou HENTACH Electromechanical Co., Ltd. Contact Us

Date de bază

Putere nominală 250-500
Tensiune nominală 36-48
Diametrul roții 20-28
Gama de viteze 25-38
Cuplu maxim 75
Raportul de transmisie 5.4
Greutate (KG) 4.2

Parametrii de instalare

Frână Frână cu disc
Caseta senzor de cuplu Nu
Traseul de cablare Axa central dreapta
Orificiu pentru spițe 2-18-Ф3.2
Evaluare rezistentă la apă IP54 (Până la IP65)
Volan/Roată de pinion Rotary Fly cu 7 trepte/Kafei (OLD142)
Certificate TUV/EN15194/RoHS

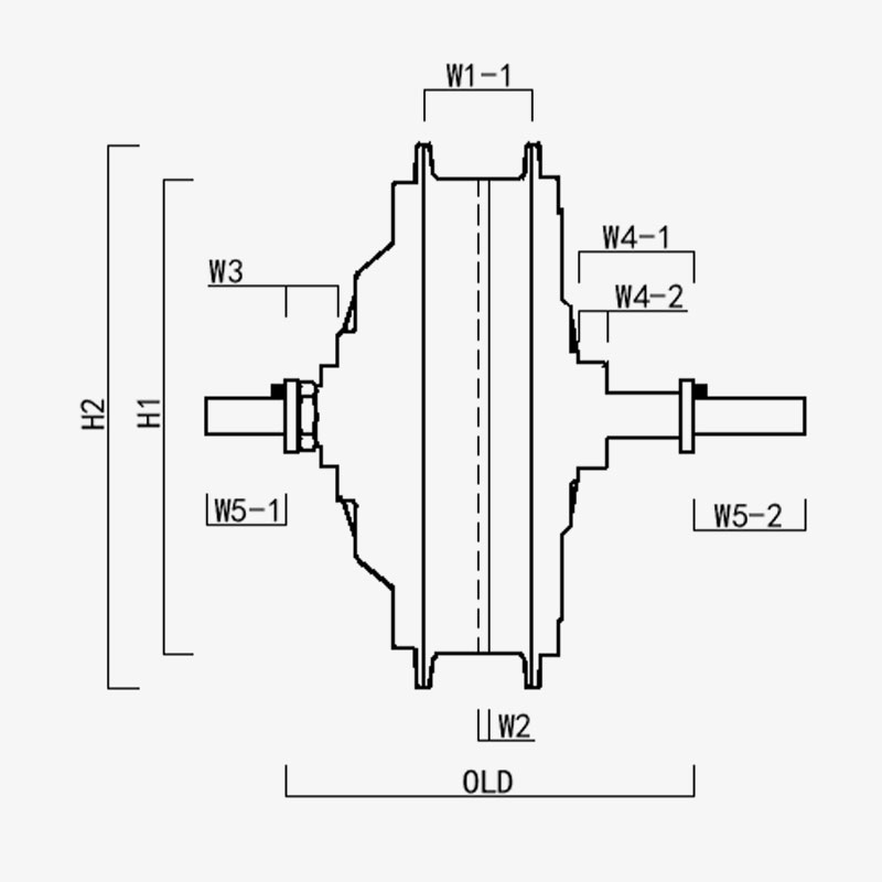
H1/ OD: 157
H2/Diametru exterior motor: 180
W1(-1/-2): 36
W2: 3.75
W3: 15.2
W4(-1/-2): 38/9.5
W5(-1/-2): 26/37
VECHI: 135
Lungimea axei: 198
Ningbo Yinzhou HENTACH Electromechanical Co., Ltd.
contactati-ne
  • Trimiteți și trimiteți
Ningbo Yinzhou HENTACH Electromechanical Co., Ltd.
CE NE DEPARTEAZA
  • Motor puternic cu butuc cu tracțiune din spate, deschidere a angrenajului de 135 mm, putere nominală de până la 500 W

  • Angrenaj din oțel din plastic brevetat: cuplul de 5 ori mai mare decât angrenajul din nailon; durata de viață mai mare de 40.000 km; post-vânzare mai scăzută

  • Cuplu de blocare de până la 75 NM, special conceput pentru eMTB/Cargo.

CINE SUNTEM NOI Mai mult decât 20 de ani a experienței de producție.

Ningbo Yinzhou HENTACH Electromechanical Co., Ltd. (Anterior Hengtai Motor) Înființată în 1995 și cunoscută anterior ca „Hengtai Motor” (numele chinezesc al companiei noastre), am adoptat oficial denumirea engleză „HENTACH Motor” în 2020. Ambele nume reprezintă același producător de încredere dedicat inovației electromecanice de peste 30 de ani. Specializați în turnarea și prelucrarea de precizie a motoarelor DC miniaturale, motoarelor cu butuc electrice/motocicletei și aliajelor de aluminiu-magneziu pentru vehicule electrice, combinăm un sistem riguros de control al calității ISO 9001, practici de management matur și echipamente de producție/testare de ultimă oră pentru a oferi soluții fiabile.

Cu capacități complete, de la turnarea materiei prime până la livrarea produsului final, deservim piețe diverse, inclusiv biciclete electrice, vehicule de marfă, AGV-uri, mașini de golf, utilaje agricole și e-karting. Campusul nostru de peste 9.000 m² (suprafață construită de 5.000 m²) găzduiește peste 60 de unități de echipamente de producție avansate, inclusiv mașini de turnare sub presiune de 500 de tone, mașini-unelte CNC de precizie, sisteme de marcare cu laser, linii de oxidare cu microarc și două bancuri de testare dedicate pentru motoarele vehiculelor electrice. Această infrastructură asigură o producție eficientă și respectarea strictă a standardelor internaționale de calitate.

La HENTACH (Hengtai), acordăm prioritate materialelor de înaltă calitate și tehnologiei brevetate - uneltele noastre patentate din oțel nailon este o dovadă a excelenței noastre în inginerie. Pentru a valida durabilitatea, am lansat odată un program de garantare a kilometrajului pentru motoarele care depășesc 30.000 de mile. Rezultatul? Peste 50 de motoare nu numai că au îndeplinit acest punct de referință, dar l-au depășit, unele atingând 50.000 de mile impresionante. Această performanță din lumea reală reflectă concentrarea noastră neclintită pe fiabilitate și ne motivează să inovăm continuu pentru soluții motrice mai inteligente și mai puternice.
Aveți încredere în marca cunoscută la nivel mondial atât ca Hengtai Motor și HENTACH Motor, unde inovația patentată a angrenajelor din oțel se întâlnește cu durabilitatea dovedită.

Certificat de Certificari