E-road / E-city

Motor butuc spate casetă HT MINI

Motorul butuc casetei HT MINI cu 8-10 viteze este proiectat pentru bicicletele electrice de oraș și de șosea, făcându-l unul dintre cele mai mici motoare cu butuc cu rotor extern de pe piață. Dispune de un design compact și ușor, cântărind doar 1,95 kg, cu o putere nominală de 220 W și peste 30 Nm de cuplu, caseta cu senzor de cuplu este disponibilă. Motorul poate ajunge până la 250 W cu un cuplu de oprire de 40 Nm. Designul rotorului său extern reduce erorile cumulate, sporind durabilitatea și stabilitatea.

Parametru cheie
Structura motorului: Tensiune nominală (V): Putere nominală (W):
Motor Hub Outrunner 36-48 180-250
Cuplul maxim (N.m.): Greutate (KG): VECHI (mm):
40 2.18(220w) 142
informatii detaliate
  • Motor butuc spate casetă HT MINI
  • Motor butuc spate casetă HT MINI
Ningbo Yinzhou HENTACH Electromechanical Co., Ltd. Product Parameters Ningbo Yinzhou HENTACH Electromechanical Co., Ltd. Drawing Ningbo Yinzhou HENTACH Electromechanical Co., Ltd. Contact Us

Date de bază

Putere nominală 180-250
Tensiune nominală 36-48
Diametrul roții 20-28
Gama de viteze 25-38
Cuplu maxim 40
Raportul de transmisie 5
Greutate (KG) 2,18 (220 W)

Parametrii de instalare

Frână Frână cu disc
Caseta senzor de cuplu Da
Traseul de cablare Axa central dreapta
Orificiu pentru spițe 2-18-Ф3.2
Evaluare rezistentă la apă IP54 (Până la IP65)
Volan/Roată de pinion KAFI 7-10 viteze
Certificate TUV/EN15194/RoHS

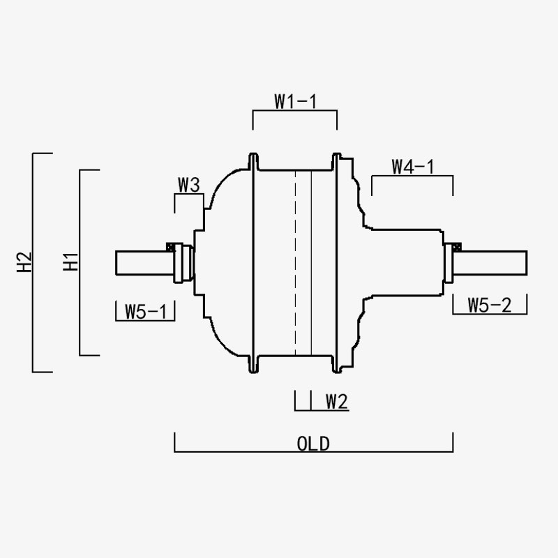
H1/ OD: 95.5
H2/Diametru exterior motor: 112.5
W1(-1/-2): 43
W2: 8
W3: 15
W4(-1/-2): 42.5
W5(-1/-2): 30/39
VECHI: 142
Lungimea axei: 211
Ningbo Yinzhou HENTACH Electromechanical Co., Ltd.
contactati-ne
  • Trimiteți și trimiteți
Ningbo Yinzhou HENTACH Electromechanical Co., Ltd.
CE NE DEPARTEAZA
  • Motorul are un diametru exterior de 95 mm, cu un volant cu casetă cu 10 viteze, cântărind doar 2,15 kg, un motor ultra-ușor cu rotor exterior și un cuplu de blocare de până la 40 NM. Un partener e-bike.

  • Angrenaj din oțel din plastic brevetat: cuplul de 5 ori mai mare decât angrenajele din nailon; durata de viață mai mare de 40.000 de kilometri; post-vânzare mai scăzută

  • Motorul rotorului exterior: structură mai stabilă decât rotorul interior, rata de eșec mai mică

CINE SUNTEM NOI Mai mult decât 20 de ani a experienței de producție.

Ningbo Yinzhou HENTACH Electromechanical Co., Ltd. (Anterior Hengtai Motor) Înființată în 1995 și cunoscută anterior ca „Hengtai Motor” (numele chinezesc al companiei noastre), am adoptat oficial denumirea engleză „HENTACH Motor” în 2020. Ambele nume reprezintă același producător de încredere dedicat inovației electromecanice de peste 30 de ani. Specializați în turnarea și prelucrarea de precizie a motoarelor DC miniaturale, motoarelor cu butuc electrice/motocicletei și aliajelor de aluminiu-magneziu pentru vehicule electrice, combinăm un sistem riguros de control al calității ISO 9001, practici de management matur și echipamente de producție/testare de ultimă oră pentru a oferi soluții fiabile.

Cu capacități complete, de la turnarea materiei prime până la livrarea produsului final, deservim piețe diverse, inclusiv biciclete electrice, vehicule de marfă, AGV-uri, mașini de golf, utilaje agricole și e-karting. Campusul nostru de peste 9.000 m² (suprafață construită de 5.000 m²) găzduiește peste 60 de unități de echipamente de producție avansate, inclusiv mașini de turnare sub presiune de 500 de tone, mașini-unelte CNC de precizie, sisteme de marcare cu laser, linii de oxidare cu microarc și două bancuri de testare dedicate pentru motoarele vehiculelor electrice. Această infrastructură asigură o producție eficientă și respectarea strictă a standardelor internaționale de calitate.

La HENTACH (Hengtai), acordăm prioritate materialelor de înaltă calitate și tehnologiei brevetate - uneltele noastre patentate din oțel nailon este o dovadă a excelenței noastre în inginerie. Pentru a valida durabilitatea, am lansat odată un program de garantare a kilometrajului pentru motoarele care depășesc 30.000 de mile. Rezultatul? Peste 50 de motoare nu numai că au îndeplinit acest punct de referință, dar l-au depășit, unele atingând 50.000 de mile impresionante. Această performanță din lumea reală reflectă concentrarea noastră neclintită pe fiabilitate și ne motivează să inovăm continuu pentru soluții motrice mai inteligente și mai puternice.
Aveți încredere în marca cunoscută la nivel mondial atât ca Hengtai Motor și HENTACH Motor, unde inovația patentată a angrenajelor din oțel se întâlnește cu durabilitatea dovedită.

Certificat de Certificari